Log på for at benytte udvidede funktioner til produktidentifikation.

ACHTUNG!

PRODUKTIVE API - Jede Bestellung - egal ob versehentlich oder aus Testgründen - muss von einer E-Mail an Jonathan Lund <jlu@besko.dk> (auf Englisch) abgesichert werden; Bestellungen nach 15:00 Uhr sind deshalb nicht erlaubt!

Der Artikel wurde erfolgreich hinzugefügt.
Kreditgrænse overskredet
Ordrer på hold

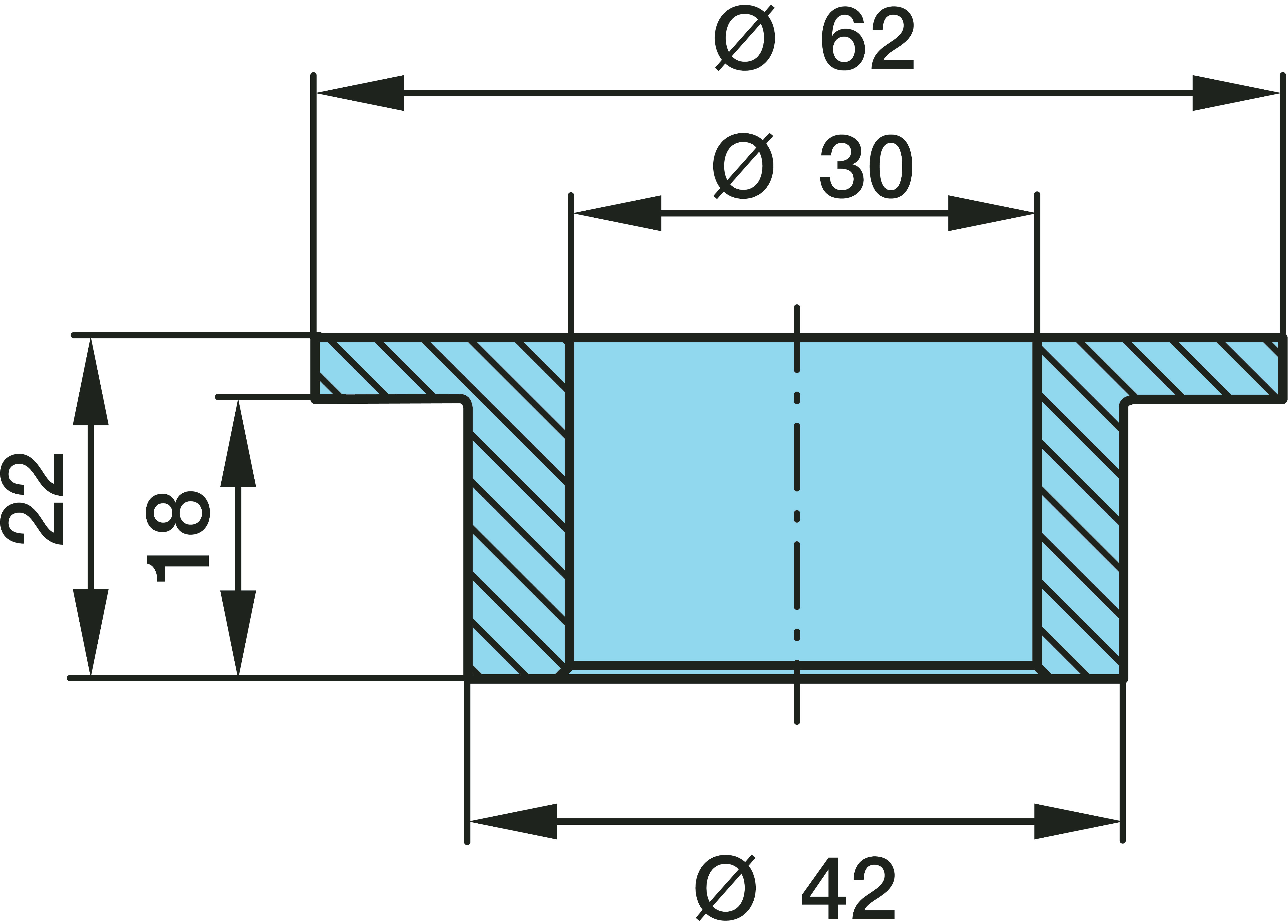
03.113.01.37.0 AMG varenr. 03.113.01.37.0 Bøsning1 BØSNING Ø 30/42/62X22

Teknisk information:
Dimension: Ø 30 / 42 / 62 x 22
Sidst set
1) Monteringsvejledninger er ikke altid vedlagt. Hvis både du eller dine kunder har brug for monteringsvejledninger, så spørg os inden bestillingen. Alle produkter bør kun anvendes til deres tiltænkte formål og kun monteres af uddannet personale. 2) De tilbudte dele er reproducerede dele. De angivne originale reservedelsnumre er kun beregnet til sammenligning. Disse oplysninger er blevet sammenstillet efter bedste viden, dog kan fejl ikke udelukkes. For rigtigheden af oplysningerne kan vi ikke påtage os noget ansvar. Om delene kan bruges, skal kontrolleres inden hver montering.