Please log in to use the advanced features for product identification.

ACHTUNG!

PRODUKTIVE API - Jede Bestellung - egal ob versehentlich oder aus Testgründen - muss von einer E-Mail an Jonathan Lund <jlu@besko.dk> (auf Englisch) abgesichert werden; Bestellungen nach 15:00 Uhr sind deshalb nicht erlaubt!

Der Artikel wurde erfolgreich hinzugefügt.
Credit line exceeded
Orders on hold

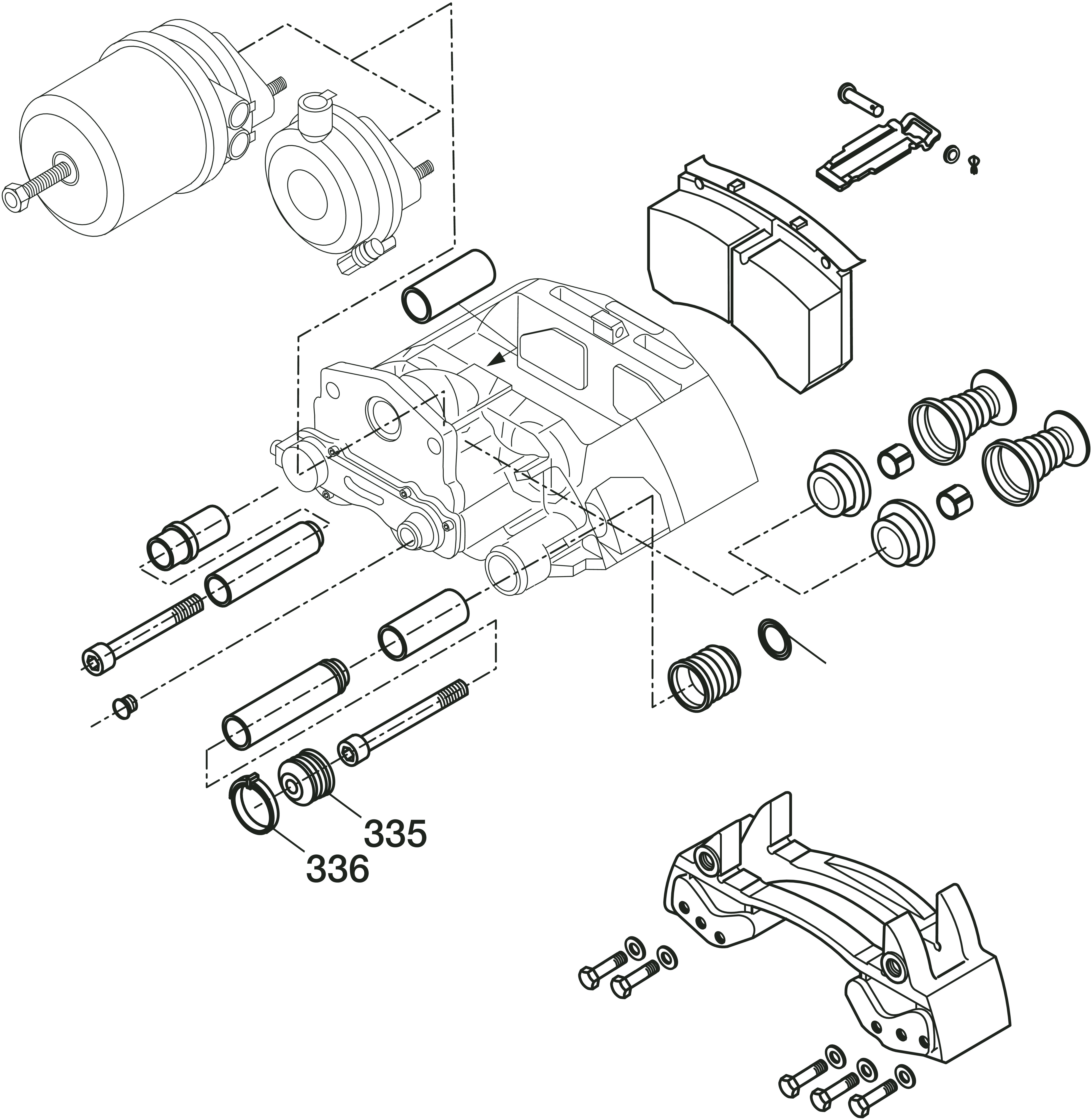
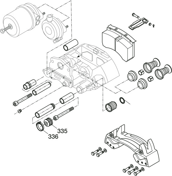
09.801.02.58.0 AMG Item No. 09.801.02.58.0 Repair Kit1 REPARATIONSSÆT

Viewed
1) Installation instructions are not included in all instances. If you or your customers require installation instructions, please ask before ordering. All products should be installed only according to the intended purpose and only by specialist trained personnel. 2) The parts offered are reproductions. The specified original replacement parts numbers are for the purpose of comparison. This information has been complied to the best of our abilities, but errors cannot be excluded. We are unable to accept liability for the accuracy of the specifications. The capability for use must be checked before each installation.